Downloads page
MM Gateways
MM2000 User Manual (v1.1)
Power analysers
AD400 Energy Meter – User Manual (v1.3)
DTSU666 / DSSU666 Energy Meter – User Manual
Eaton EM20 Energy Meter – Datasheet
Eaton EMC3p P2C1 – User Manual
Schrack MF9 / MGF37900 – Technical Documentation
Schematics and drawings
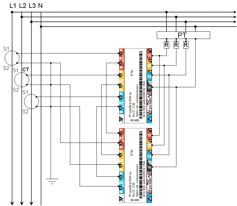
Two Meters – One CT & PT Wiring Schematic